Газорегуляторный пункт блочный ГРПБ-03М3-2У1
Пункты используются для различных видов потребителей (в системах газоснабжения сельских или городских населенных пунктов, коммунально-бытовых зданий, объектов промышленного и сельскохозяйственного назначения, и т.д.) ГРПБ представляет собой сварную конструкцию контейнерного типа, обшитую стальными листами либо металлическим профилем (окрашенным или оцинкованным) с использованием утеплителя, в которой расположено газовое оборудование. Выполняется в виде одного или нескольких блоков. В конструкции пункта предусмотрена естественная постоянно действующая вентиляция, через жалюзийные решетки и дефлектора. Условия эксплуатации ГРПБ должны соответствовать климатическому исполнению У категории 1 по ГОСТ 15150-69, для работы при температуре окружающей среды от минус 40 до плюс 60° С.

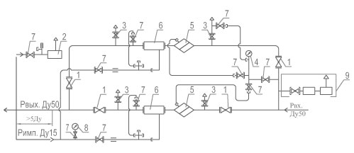
функциональная схема ГРПБ-03М3-2У1
1 — кран шаровой КШ-50 – 4 шт.; 2 — клапан предохранительный сбросной КПС-С – 1 шт; 3 — кран шаровой КШ-20 – 4 шт; 4 — манометр входной типа МТ – 1 шт; 5 — фильтр газовый типа ФГ – 2 шт; 6 — регулятор давления газа типа РДСК – 2 шт; 7 — кран шаровой КШ-15 – 10 шт; 8 — выходной манометр типа МТ – 1 шт; 9 — узел отопления с газовым обогревателем.
Технические характеристики ГРПБ-03М3-2У1
| Наименование размера или параметра | Величина в исполнении |
|---|---|
| Регулятор | РДСК-50М-2 |
| Регулируемая среда | Природный газ по ГОСТ5542-87 |
| Давление на входе, Pвх, МПа | 1,2 |
| Диапазон настройки давления газа на выходе, кПа | 40÷60 60÷100 |
| Пропускная способность (для газа плотностью g=0,73 кг/м³), м³/ч |
850 |
| Тепловая мощность газового обогревателя, кВт, не более | 7 |
| Масса, кг, не более | 1600 |