ШРП с регуляторами Actaris
Шкафные газорегуляторные пункты применяются для:
- Работы в системах газопотребления промышленности;
- Сельского хозяйства;
- Общественно бытовых объектов.
Шкафные распределительные пункты ШРП производятся для:
- редуцирования газового давления;
- стабилизации выходного давления по указанным границам в комплексах газораспределения и газопотребления, независимо от колебаний входного давления и переменах потребления газа;
- автоматической остановки газоподачи при аварийном повышении или понижении выходного давления сверх определенной нормы;
- технологического или коммерческого учета потребления вещества (для пунктов, в которых имеется узел учета расхода газа);
- очищения вещества от мехпримесей при помощи газовых фильтров, расположенных внутри блока перед регулятором давления. Располагая несколькими уровнями фильтрации газовый фильтр может выполнить высокую степень очищения вещества.
Газорегуляторные пункты могут быть разных конструктивных исполнениях в зависимости от количества линий редукування и наличия байпаса, наличия и конфгурации узла учета газа, размещения входа и выхода, типа соедниения.
ШГРП могут быть различных модификаций:
- с одной линией редуцирования и байпасом,
- двумя линиями и байпасом,
- в комплексе с ШГРП может быть установлен узел учета газа.
ГРПШ, газорегуляторные пункты шкафные изготавливаются со следующими регуляторами производства Actaris (Германия):
1. Серия RB 1200: RBI 1210, RBI 1211, RBI 1212 (Ø20)
2. Серия RB 1700: RBI(E) 1710, RBI(E) 1711, RBI(E) 1712, RBI(E) 1720, RBI(E) 1721, RBI(E) 1722, RBI(E) 1730, RBI(E) 1731, RBI(E) 1732 (Ø20, Ø25, Ø32)
3. Серия RB 1800: RBE 1810, RBE 1811, RBE 1812, RBE 1820, RBE 1821, RBE 1822, RBE 1830, RBE 1831, RBE 1832 (Ø32)
4. Серия RB 2000: RBI(E) 2010, RBI(E) 2010, RBI(E) 2011, RBI(E) 2012, RBI(E) 2110, RBI(E) 2111, RBI(E) 2112, RBI(E) 2210, RBI(E) 2211, RBI(E) 2211, RBI(E) 2310, RBI(E) 2311, RBI(E) 2312, RBI(E) 2610, RBI(E) 2611, RBI(E) 2612
5. Серия RB 3200: RBI(E) 3210, RBI(E) 3211, RBI(E) 3212.
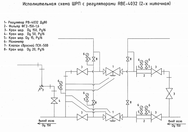
6. Серия RB 4000: RBE 4010, RBE 4011, RBE 4012, RBE 4020, RBE 4021, RBE 4022, RBE 4030, RBE 4031, RBE 4032 (Ø25, Ø40, Ø50, Ø80, Ø100).
7. Серия RB 4600: RBE 4610, RBE 4611, RBE 4612, RBE 4620, RBE 4621, RBE 4622, RBE 4630, RBE 4631, RBE 4632 (Ø25, Ø40, Ø50, Ø80, Ø100).
8. Серия RB 4700: RBE 4710, RBE 4711, RBE 4712, RBE 4720, RBE 4721, RBE 4722, RBE 4730, RBE 4731, RBE 4732 (Ø25, Ø40, Ø50, Ø80, Ø100)., где:
E – внешний импульс
I – внутренний импульс
ГРПШ (газорегуляторные пункты шкафные) изготавливаются согласно технических условий ТУ У 45.2-13732845-005-2003

ГРПШ с регуляторами RBE4032
