Газорегуляторный пункт ГРПН-300 с основной и резеврной линиями редуцирования предназначен для понижения высокого давления на низкое. Эксплуатируется в коммунально-бытовых газовых сетях, системах газоснабжения сельскохозяйственных и производственных объектов. Пункты серии ГРПН изготавливаются на базе регуляторов давления газа РДУ-32 в отапливаемом металлическом шкафу, что позволяет защитить технологическое оборудование от осадков и низких температур. Пропускная способность пунктов ГРПН не более 300 м3/час при максимальном входном давлении 1,2МПа.

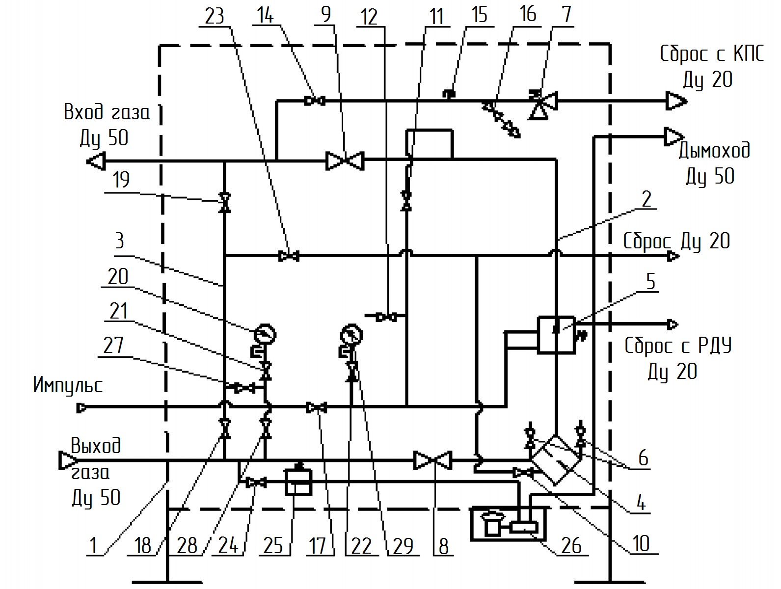
Схема пневматическая функциональная:
1-шкаф; 2-основная линия редуцирования; 3-обводная линия (байпас); 4-фильтр газовый; 5-регулятор РДУ-32; 7-клапан предохранительно-сбросной КПС-20Н; 8-12, 14, 16-19, 23, 24, 27, 28 - краны шаровые; 21-22 - устройства запорно-сбросные; 20-манометр; 29-мановакууметр; 15-штуцер с заглушкой; 25-регулятор РДСГ-1-1,2; 26-обогреватель

Габаритный чертеж
1 — шкаф; 2 — технологическое оборудование; 3 — обогреватель газовый (по заказу)