Модульный газорегуляторный пункт (МРП), МРП-900, МРП-1000, МРП-7000
Газорегуляторный пункт (ГРП) - это комплекс устройств и технологического оборудования, предназначенный для понижения входного давления газа до заданного уровня и поддержания его на выходе постоянным. Модульный газорегуляторный пункт (МРП) на сегодняшний день используется для снижения высокого и среднего давления газа на более низкое, поддержания выходного давления в указанных пределах, а также независимо от изменений давления на выходе и расходования газа в системе и автоматического отключения при аварийных ситуациях. Применяется для понижения давления природного газа ГОСТ 5542-87 с высокого или среднего, до требуемого уровня, а также автоматического поддержания заданного выходного давления в не зависимости от изменения расхода и входного давления, автоматического отключения подачи газа при аварийных повышениях или понижениях выходного давления от допустимых заданных значений.
Стандартная комплектациямодульной котельной предполагает установку следующего основного оборудования:
- теплогенерирующее оборудование в комплекте с горелочными устройствами;
- оборудование водоподготовки;
- бак запаса воды и узел подпитки;
- бак мембранный расширительный контура циркуляции теплоносителя;
- циркуляционные насосы;
- фильтр и счетчик холодной воды;
- фильтр циркуляционной воды;
- трубопроводы всех подсистем с арматурой;
- фильтр газовый;
- клапан отсечной газовый;
- вентиляционная система;
- дымовые трубы;
- комплект контрольно-измерительных приборов и исполнительных механизмов;
- щит управления и система автоматизации;
- выносной пульт диспетчерской сигнализации;
- газосигнализатор с комплектом датчиков загазованности и пожара;
- система электроснабжения;
- система внутреннего и наружного освещения;
- система отопления;
- система канализации;
- эксплуатационная документация.
Модульный газорегуляторный пункт изготавливают из оборудования, выпускаемого как российскими производителями, так и производителями иностранных фирм, имеющих разрешение Госгортехнадзора России на производство газового оборудованияВ системе МРП предусмотрено две линии редуцирования газа: основная и резервная. Ресурс МРПБ определяется ресурсом и сроком службы, используемого в данном МРПБ оборудования и составляет не менее 30 лет. Он достаточно надежно защищен порошковым эпоксиполиэфирным лакокрасочным покрытием, что в свою очередь гарантирует сохранность не менее 10 лет. Температура окружающей среды для работы в пределах от -40 С до +60 С.
МРП-900
| Тип регулятора | РДНК-400 | РДНК-400М | РДНК-1000 | РДНК-У |
| Рабочая среда | Природный газ по ГОСТ 5542-87 | |||
| Максимальное рабочее давление, МПа | 0,6 | 0,6 | 0,6 | 1,2 |
| Диапазон настройки выходного давления, кПа | 2-5 | 2-5 | 2-5 | 2-5 |
| Максимальная пропускная способность, м3/час | 300 | 600 | 900 | 1000 |

| Тип регулятора | РДНК-50(П) | РДСК-50М1 | РДСК-50М3 | РДСК-50БМ |
| Рабочая среда | Природный газ по ГОСТ 5542-87 | |||
| Максимальное рабочее давление, МПа | 1,2 | 1,2 | 1,2 | 1,2 |
| Диапазон настройки выходного давления, кПа | 2-3,5 (3,5-5) | 10-40 | 40-100 | 270-300 |
| Максимальная пропускная способность, м3/час | 900 | 1000 | 1000 | 1200 |
МРП-1000
| Тип регулятора | РДГ-50Н/40 | РДГ-50В/40 | РДГ-50Н/45 | РДГ-50В/45 |
| Рабочая среда | Природный газ по ГОСТ 5542-87 | |||
| Максимальное рабочее давление, МПа | 1,2 | 1,2 | 1,2 | 1,2 |
| Диапазон настройки выходного давления, кПа | 1,5-60 | 60-600 | 1,5-60 | 60-600 |
| Максимальная пропускная способность, м3/час | 5400 | 5400 | 7100 | 7100 |
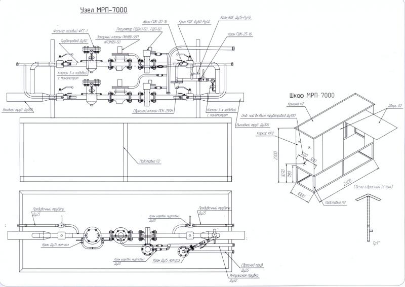
МРП-7000
| Тип регулятора | РДБК 1(П)-50/25 | РДБК 1(П)-50/35 | РДП-50Н(В) | РДГ-80Н(В) |
| Рабочая среда | Природный газ по ГОСТ 5542-87 | |||
| Максимальное рабочее давление, МПа | 1,2 | 1,2 | 1,2 | 1,2 |
| Диапазон настройки выходного давления, кПа | 1-60 (60-600) | 1-60 (60-600) | 0,5-60 (60-600) | 1,5-60 (60-600) |
| Максимальная пропускная способность, м3/час | 2133 | 6500 | 7540 | 14600 |
Элементы дополнительной комплектациитранспортабельной котельной:
- гидро уравниватель;
- теплообменник и соответствующее оборудование системы ГВС;
- - дополнительные узлы учета расхода газа;
- шкафной газорегуляторный пункт, узел учета расхода газа;
- сетевые насосы системы теплоснабжения;
- распределительный узел системы теплоснабжения;
- вводной электрощит с АВР;
- дополнительное аппаратно-программное обеспечение системы управления и диспетчеризации ;
- другое оборудование по требованию заказчика.
Модульные газорегуляторные пункты МРП выполняют следующие функции:
- редуцирование давления природного газа как с высокого на среднее или низкое, так и со среднего на низкое
- автоматическое поддержание заданного выходного давления независимо от изменения входного давления и расхода газа
- автоматическое отключение в случае аварийной ситуации
- предварительная очистка от механических примесей.